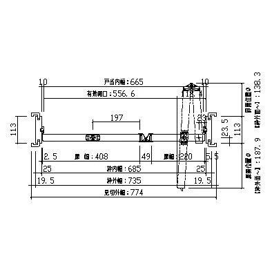
「ずっと ここちいいね」を実現する企業 DAIKEN 建材製品情報 CAD データ検索 dwg C_D_2023-HA-OR-00-A-735-2033-Y-1.dwg dxf C_D_2023-HA-OR-00-A-735-2033-Y-1.dxf CAD 735幅 2033高 横断面図 データ分類_第1分類 CAD データ分類_第2分類 室内ドア データ分類_第3分類 hapia 機能ドア データ分類_第4分類 折戸ドア・錠付タイプ データ分類_第5分類 断面図 データ分類_第6分類 見切枠A ファイル種類 製品図 キャプション 735幅 2033高 横断面図