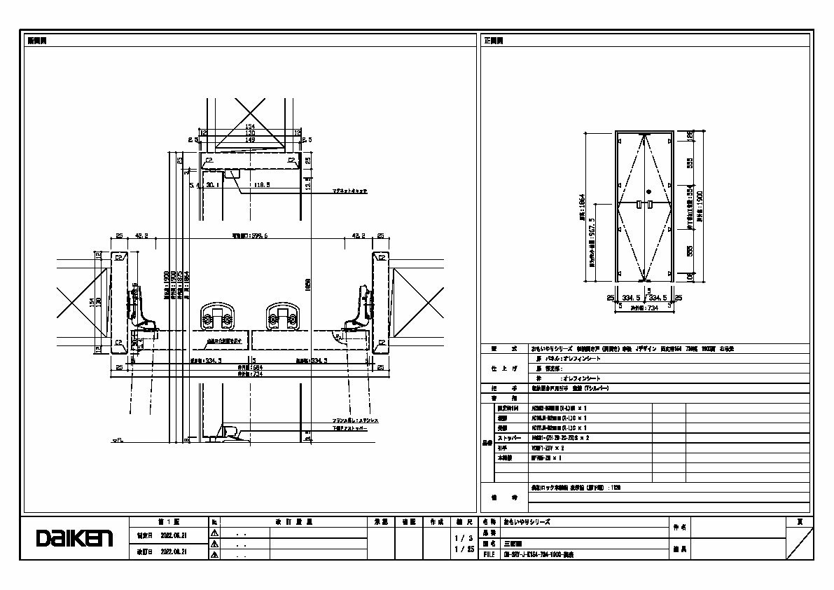
製品図
734幅 1900高 収納開き戸用引手 空錠 美和本締錠 表示錠
| データ分類_第1分類 | 図面 |
|---|---|
| データ分類_第2分類 | 室内ドア |
| データ分類_第3分類 | おもいやりドア(施設向け) |
| データ分類_第4分類 | 収納開き戸 |
| データ分類_第5分類 | 収納開き戸(両開き)巾狭 |
| データ分類_第6分類 | J |
| データ分類_第7分類 | 固定枠154 |
| ファイル種類 | 製品図 |
| 見出し | 製品図 |
| キャプション | 734幅 1900高 収納開き戸用引手 空錠 美和本締錠 表示錠 |
| 改定日 | 2022/06/21 |
| 備考 |
734幅 1900高 収納開き戸用引手 空錠 美和本締錠 表示錠
| データ分類_第1分類 | 図面 |
|---|---|
| データ分類_第2分類 | 室内ドア |
| データ分類_第3分類 | おもいやりドア(施設向け) |
| データ分類_第4分類 | 収納開き戸 |
| データ分類_第5分類 | 収納開き戸(両開き)巾狭 |
| データ分類_第6分類 | J |
| データ分類_第7分類 | 固定枠154 |
| ファイル種類 | 製品図 |
| 見出し | 製品図 |
| キャプション | 734幅 1900高 収納開き戸用引手 空錠 美和本締錠 表示錠 |
| 改定日 | 2022/06/21 |
| 備考 |