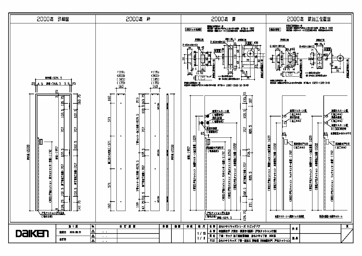
「ずっと ここちいいね」を実現する企業 DAIKEN 建材製品情報 図面 データ検索 pdf Z_D_2022-OK-SY-2000-C-1.pdf webp Z_D_2022-OK-SY-2000-C-1.webp 製品図 おもいやりキッズ 丁番・錠加工(収納開き戸)戸先クッション 詳細図 データ分類_第1分類 図面 データ分類_第2分類 室内ドア データ分類_第3分類 おもいやりキッズドア(施設向け) データ分類_第4分類 開き戸 データ分類_第5分類 丁番・ラッチ加工位置詳細図 ファイル種類 製品図 見出し 製品図 キャプション おもいやりキッズ 丁番・錠加工(収納開き戸)戸先クッション 詳細図 改定日 2022/06/21 備考