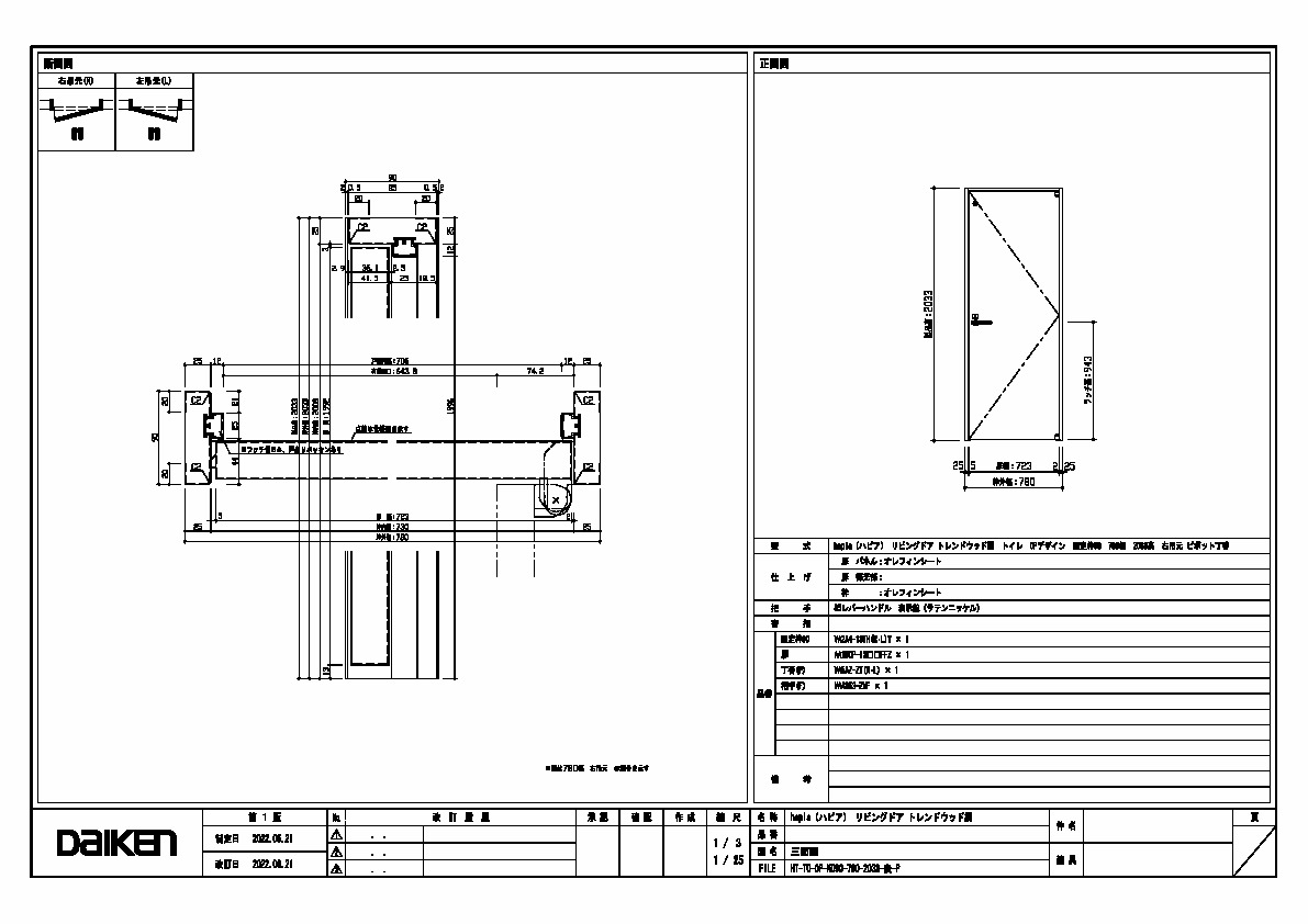
製品図
780幅 2033高 85ハンドル 表示錠 三面図
| データ分類_第1分類 | 図面 |
|---|---|
| データ分類_第2分類 | 室内ドア |
| データ分類_第3分類 | hapia トレンドウッド調・ソリッド調・レザー調・グロス調 リビングドア 開き戸 |
| データ分類_第4分類 | トイレドア |
| データ分類_第5分類 | トレンドウッド調 |
| データ分類_第6分類 | ピボット丁番 |
| データ分類_第7分類 | 0P |
| ファイル種類 | 製品図 |
| 見出し | 製品図 |
| キャプション | 780幅 2033高 85ハンドル 表示錠 三面図 |
| 改定日 | 2022/06/21 |
| 備考 |






