製品図
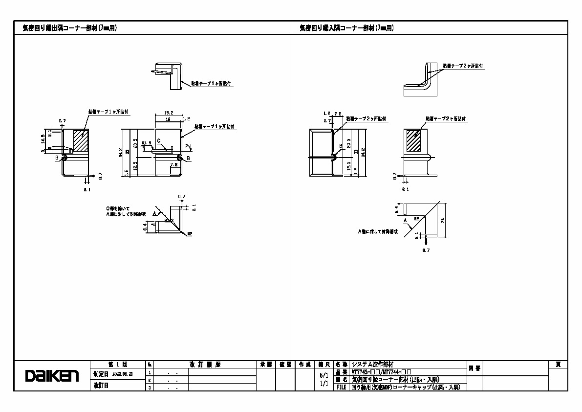
気密回り縁用樹脂コーナーキャップ(入隅・出隅) 三面図
| データ分類_第1分類 | 図面 |
|---|---|
| データ分類_第2分類 | 造作部材 |
| データ分類_第3分類 | hapia システム造作部材 |
| データ分類_第4分類 | 巾木/回り縁 |
| データ分類_第5分類 | 回り縁用樹脂部材 |
| データ分類_第6分類 | 気密MDF |
| ファイル種類 | 製品図 |
| 見出し | 製品図 |
| キャプション | 気密回り縁用樹脂コーナーキャップ(入隅・出隅) 三面図 |
| 改定日 | 2022/06/21 |
| 備考 |
気密回り縁用樹脂コーナーキャップ(入隅・出隅) 三面図
| データ分類_第1分類 | 図面 |
|---|---|
| データ分類_第2分類 | 造作部材 |
| データ分類_第3分類 | hapia システム造作部材 |
| データ分類_第4分類 | 巾木/回り縁 |
| データ分類_第5分類 | 回り縁用樹脂部材 |
| データ分類_第6分類 | 気密MDF |
| ファイル種類 | 製品図 |
| 見出し | 製品図 |
| キャプション | 気密回り縁用樹脂コーナーキャップ(入隅・出隅) 三面図 |
| 改定日 | 2022/06/21 |
| 備考 |