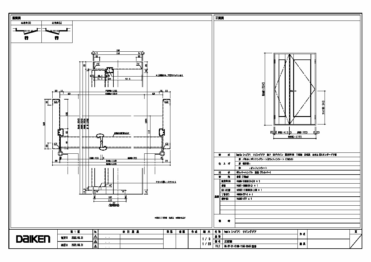
製品図
1195幅 2045高 85ハンドル 空錠 沓摺(110mm) 三面図
| データ分類_第1分類 | 図面 |
|---|---|
| データ分類_第2分類 | 室内ドア |
| データ分類_第3分類 | hapia リビングドア 開き戸 |
| データ分類_第4分類 | 親子ドア |
| データ分類_第5分類 | Nスタンダード丁番 |
| データ分類_第6分類 | 01 |
| データ分類_第7分類 | 固定枠169 |
| ファイル種類 | 製品図 |
| 見出し | 製品図 |
| キャプション | 1195幅 2045高 85ハンドル 空錠 沓摺(110mm) 三面図 |
| 改定日 | 2022/06/21 |
| 備考 |
1195幅 2045高 85ハンドル 空錠 沓摺(110mm) 三面図
| データ分類_第1分類 | 図面 |
|---|---|
| データ分類_第2分類 | 室内ドア |
| データ分類_第3分類 | hapia リビングドア 開き戸 |
| データ分類_第4分類 | 親子ドア |
| データ分類_第5分類 | Nスタンダード丁番 |
| データ分類_第6分類 | 01 |
| データ分類_第7分類 | 固定枠169 |
| ファイル種類 | 製品図 |
| 見出し | 製品図 |
| キャプション | 1195幅 2045高 85ハンドル 空錠 沓摺(110mm) 三面図 |
| 改定日 | 2022/06/21 |
| 備考 |