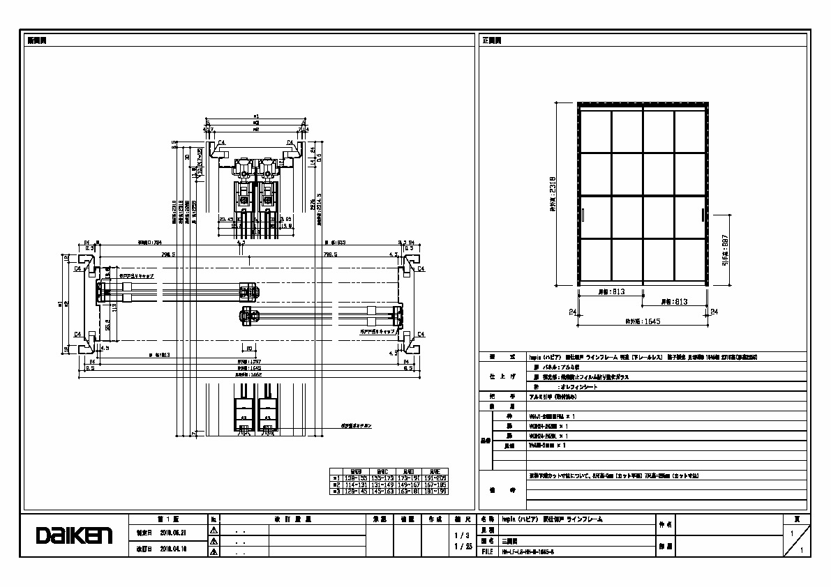
「ずっと ここちいいね」を実現する企業 DAIKEN 建材製品情報 図面 データ検索 pdf Z_D_2022-HA-LF-LS-HH-B-1645-8-1.pdf webp Z_D_2022-HA-LF-LS-HH-B-1645-8-1.webp 製品図 1645幅 8尺高 三面図 データ分類_第1分類 図面 データ分類_第2分類 室内ドア データ分類_第3分類 hapia 間仕切戸 データ分類_第4分類 ラインフレーム[インセット]引違 データ分類_第5分類 02) 格子採光 データ分類_第6分類 見切枠B~E ファイル種類 製品図 見出し 製品図 キャプション 1645幅 8尺高 三面図 改定日 2022/06/21 備考