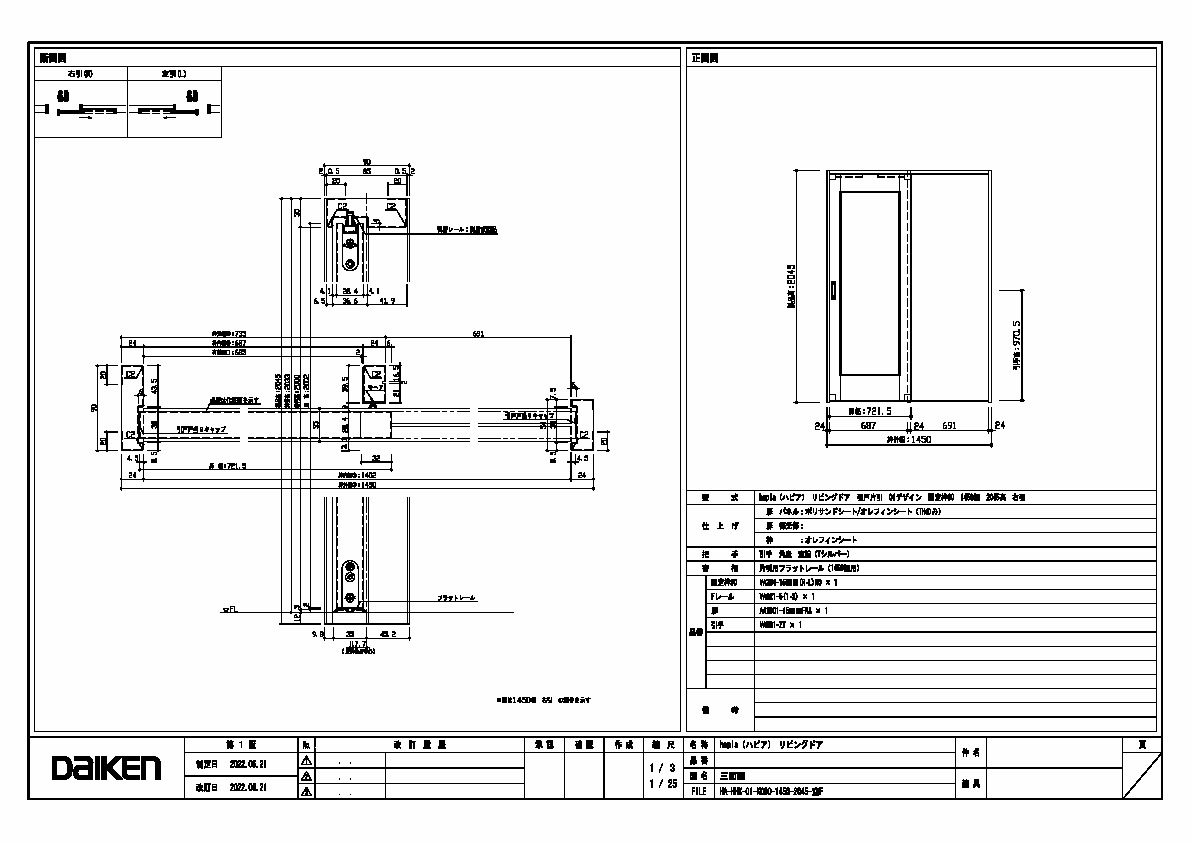
製品図
1450幅 2045高 引手 角座 空錠 フラットレール(1450幅用) 三面図
| データ分類_第1分類 | 図面 |
|---|---|
| データ分類_第2分類 | 室内ドア |
| データ分類_第3分類 | hapia リビングドア 引戸 |
| データ分類_第4分類 | 引戸・片引 |
| データ分類_第5分類 | ラクラクローズ |
| データ分類_第6分類 | 2045高 |
| データ分類_第7分類 | 01 |
| データ分類_第8分類 | 固定枠090 |
| ファイル種類 | 製品図 |
| 見出し | 製品図 |
| キャプション | 1450幅 2045高 引手 角座 空錠 フラットレール(1450幅用) 三面図 |
| 改定日 | 2022/06/21 |
| 備考 |






